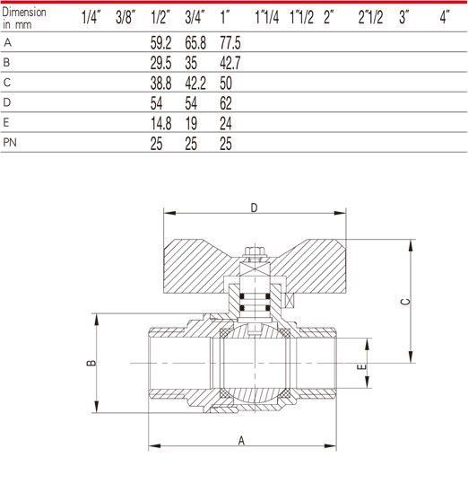
Mô tả sản phẩm :
- Áp suất làm việc : 25 bar (362,5 psi)
- Nhiệt độ làm việc từ -10 ℃ đến + 120 ℃ (từ 14 ° F đến 248 ° F)
- Kiểm tra đóng/ mở : 10000 lần
- -Tiêu chuẩn ISO228 ( tương đương tiêu chuẩn DIN 259 và BS2779 )
Ứng dụng :
- Dùng trong ngành nước, nhà máy sưởi và điều hòa không khí, hệ thống khí nén













